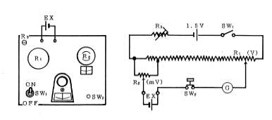
図13.電位差計の回路