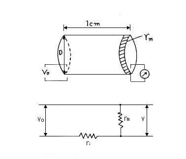
図5−5 説明なし